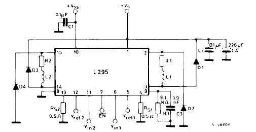
Product Summary
The L295N is a monolithic integrated circuit in a 15 -lead Multiwatt package; It incorporates all the functions for direct interfacing between digital circuitry and inductive loads. The L295N is designed to accept standard microprocessor logic levels at the inputs and can drive 2 solenoids. The output current is completely controlled by means of a switch-ing technique allowing very efficient operation. Furthermore, it includes an enable input and dual supplies (for interfacing with peripherals running at a higher voltage than the logic). The L295N is particularly suitable for applications such as hammer driving in matrix printers, step motor driving and electromagnet controllers.
Parametrics
L295N absolute maximum ratings: (1)Vs Supply voltage: 50 V; (2)Vss Logic supply voltage: 12 V; (3)VEN, Vi Enable and input voltage: 7 V; (4)Vref Reference voltage: 7 V; (5)Io Peak output current (each channel): non repetitive (t = 100 msec) 3 A; repetitive (80% on - 20% off; Ton = 10 ms): 2.5 A; DC operation 2 A; (6)Ptot Total power dissipation (at Tcase = 75 ℃: 25 W; (7)Tstg, Tj Storage and junction temperature: - 40 to 150 ℃.
Features
L295N features: (1)High current capability (up to 2.5A per channel); (2)High voltage operation (up to 46V for power stage); (3)High efficiency switchmode operation; (4)Regulated output current (adjustable); (5)Few external components; (6)Separate logic supply; (7)Thermal protection.
Diagrams

![]() |
![]() L295 |
![]() STMicroelectronics |
![]() Power Switch ICs - Power Distribution Switch-Mode Solenoid |
![]() Data Sheet |
![]() Negotiable |
|
||||
(Hong Kong)








