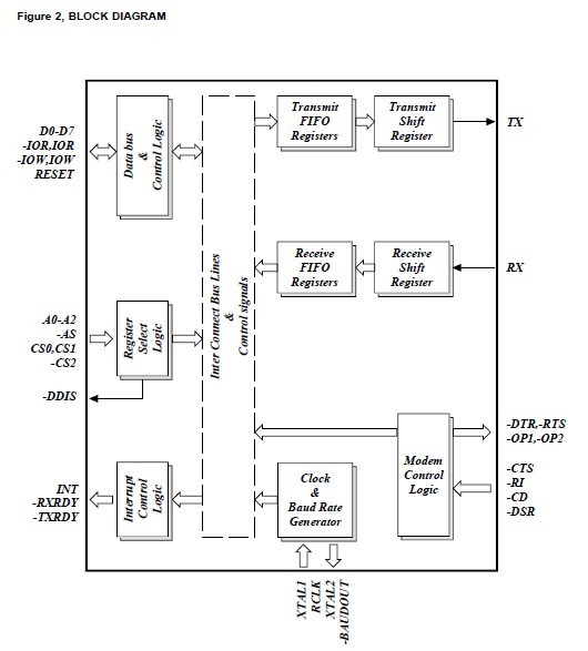
Product Summary
The ST16C550CJ44-F is a universal asynchronous receiver and transmitter with 16 byte transmit and receive FIFO. A programmable baud rate generator is pro- vided to select transmit and receive clock rates from 50 bps to 1.5 Mbps. The ST16C550CJ44-F is an improved version of the NS16C550 UART with higher operating speed and lower access time. The ST16C550CJ44-F on board status registers provides the error conditions, type and status of the transfer operation being performed. Included is complete MODEM control capability, and a processor interrupt system that may be software tailored to the user’s requirements. The ST16C550CJ44-F provides internal loop-back capability for on board diagnostic testing.
Parametrics
ST16C550CJ44-F absolute maximum ratings: (1)CH: 1; (2)CPU Interface: Intel; (3)Data Rate@5/3.3/2.5V: 1.5/1.0/na; (4)Tx/RxFIFO(Bytes): 16/16; (5)Tx/RxFIFOCtrs: No; (6)Tx/RxFIFOINT Trig: No/ 4 Levels; (7)AutoRTS/CTS: No; (8)IrDaSup: No; (9)5V TolInputs: No; (10)Sup V: 2.97-5.5; (11)Pkgs: PDIP-40, PLCC-44, TQFP-48.
Features
ST16C550CJ44-F features: (1)Pin to pin and functionally compatible to the Industry Standard 16C550; (2)2.97 to 5.5 volt operation; (3)24MHz clock operation at 5V; (4)16MHz clock operation at 3.3V; (5)16 byte transmit FIFO16 byte receive FIFO with error flags; (6)Full duplex operation; (7)Transmit and receive control; (8)Four selectable receive FIFO interrupt trigger levels; (9)Standard modem interface; (10)Compatible with ST16C450; (11)Low operating current ( 1.2mA typ.).
Diagrams

| Image | Part No | Mfg | Description | ![]() |
Pricing (USD) |
Quantity | ||||||||||||
|---|---|---|---|---|---|---|---|---|---|---|---|---|---|---|---|---|---|---|
![]() |
![]() ST16C550CJ44-F |
![]() Exar |
![]() UART Interface IC 2.97V-5.5V 16B FIFO temp 0C to 70C; UART |
![]() Data Sheet |
![]()
|
|
||||||||||||
| Image | Part No | Mfg | Description | ![]() |
Pricing (USD) |
Quantity | ||||||||||||
![]() |
![]() ST161208SS |
![]() Hammond Manufacturing |
![]() Enclosures, Boxes, & Cases |
![]() Data Sheet |
![]() Negotiable |
|
||||||||||||
![]() |
![]() ST16126LG |
![]() Hammond Manufacturing |
![]() Enclosures, Boxes, & Cases |
![]() Data Sheet |
![]() Negotiable |
|
||||||||||||
![]() |
![]() ST161608SS |
![]() Hammond Manufacturing |
![]() Enclosures, Boxes, & Cases |
![]() Data Sheet |
![]() Negotiable |
|
||||||||||||
![]() |
![]() ST16168LG |
![]() Hammond Manufacturing |
![]() Enclosures, Boxes, & Cases |
![]() Data Sheet |
![]() Negotiable |
|
||||||||||||
![]() |
![]() ST16-19HDS |
![]() Other |
![]() |
![]() Data Sheet |
![]() Negotiable |
|
||||||||||||
![]() |
![]() ST16-19HDSE |
![]() Other |
![]() |
![]() Data Sheet |
![]() Negotiable |
|
||||||||||||
(Hong Kong)










