Product Summary
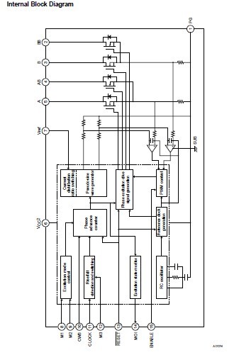
The STK672-070 is a stepping motor driver hybrid IC that uses power MOSFETs in the output stage. It includes a built-in microstepping controller and is based on a unipolar constant-current PWM system. The STK672-070 supports application simplification and standardization by providing a built-in 4 phase distribution stepping motor controller. It supports five excitation methods: 2 phase, 1-2 phase, W1-2 phase, 2W1-2 phase, and 4W1-2 phase excitations, and can provide control of the basic stepping angle of the stepping motor divided into 1/16 step units. It also allows the motor speed to be controlled with only a clock signal.
Parametrics
STK672-070 absolute maximum ratings: (1)Maximum supply voltage 1, VCC1 max No signal: 52V; (2)Maximum supply voltage 2, VCC2 max No signal: -0.3 to +7.0V; (3)Input voltage VIN max Logic input pins: -0.3 to +7.0V; (4)Output current IOH max 0.5s, 1 pulse, with VCC1 applied: 2.0A; (5)Repeated avalanche capacity Ear max: 25mJ; (6)Allowable power dissipation Pd max θc-a =0: 6.5W; (7)Operating IC substrate temperature, Tc max: 105℃; (8)Junction temperature, Tj max: 150℃; (9)Storage temperature: Tstg: -40 to +125℃.
Features
STK672-070 features: (1)Can implement stepping motor drive systems simply by providing a DC power supply and a clock pulse generator; (2)One of five drive types can be selected with the drive mode settings (M1, M2, and M3); (3)Phase retention even if excitation is switched.; (4)Provides the MOI phase origin monitor pin.; (5)The CLK input pin includes built-in malfunction prevention circuits for external pulse noise.; (6)ENABLE and RESET pins provided. These are Schmitt trigger inputs with built-in 20kΩ (typical) pull-up resistors.; (7)External excitation PWM drive allows a wide operating supply voltage range (VCC1 = 10 to 45V) to be used.; (8)Current detection resistor (0.22Ω) built-in the hybrid IC itself.; (9)Power MOSFETs adopted for low drive loss.; (10)Provides a motor output drive current of IOH = 1.5A. (at Tc = 105℃).
Diagrams

| Image | Part No | Mfg | Description | ![]() |
Pricing (USD) |
Quantity | ||||||||||||
|---|---|---|---|---|---|---|---|---|---|---|---|---|---|---|---|---|---|---|
![]() |
![]() STK672-070-E |
![]() Other |
![]() |
![]() Data Sheet |
![]() Negotiable |
|
||||||||||||
| Image | Part No | Mfg | Description | ![]() |
Pricing (USD) |
Quantity | ||||||||||||
![]() |
![]() STK621-033A-E |
![]() ON Semiconductor |
![]() Motor / Motion / Ignition Controllers & Drivers |
![]() Data Sheet |
![]()
|
|
||||||||||||
![]() |
![]() STK621-041 |
![]() Other |
![]() |
![]() Data Sheet |
![]() Negotiable |
|
||||||||||||
![]() |
![]() STK621-041A-E |
![]() ON Semiconductor |
![]() Motor / Motion / Ignition Controllers & Drivers |
![]() Data Sheet |
![]()
|
|
||||||||||||
![]() |
![]() STK621-043A-E |
![]() ON Semiconductor |
![]() Motor / Motion / Ignition Controllers & Drivers |
![]() Data Sheet |
![]()
|
|
||||||||||||
![]() |
![]() STK621-061A-E |
![]() Other |
![]() |
![]() Data Sheet |
![]() Negotiable |
|
||||||||||||
![]() |
![]() STK621-061-E |
![]() ON Semiconductor |
![]() Motor / Motion / Ignition Controllers & Drivers INVERTER HIC |
![]() Data Sheet |
![]()
|
|
||||||||||||
(Hong Kong)









