Product Summary
This DC-DC converter module V375B12C300A uses 2nd Generation power processing, control and packaging technologies to provide the performance, flexibility and cost effectiveness expected of a mature power component.
Parametrics
V375B12C300A absolute maximum ratings: (1)+In to -In voltage: -0.5 to +425.0 Vdc; (2)+In to -In voltage: 500 Vdc <100ms; (3)PC to -In voltage: -0.5 to +7.0 Vdc; (4)PR to -In voltage: -0.5 to +7.0 Vdc; (5)+Out to -Out voltage: -0.5 to +36.9Vdc; (6)+Sense to -Out voltage: -0.5 to +36.9Vdc; (7)–Sense to Out voltage: 1.0Vdc; (8)SC to -Out voltage: -0.5 to +1.5Vdc; (9)Isolation voltage (in to out): 3000Vrms; (10)Isolation voltage (in to base): 1550Vrms; (11)Isolation voltage (out to base): 500Vrms; (12)Storage temperature (C–Grade): -40 to +125℃; (13)Operating temperature (C–Grade): -20 to +100℃ Baseplate.
Features
V375B12C300A features: (1)DC input range: 250 to 425V; (2)Input surge withstand: 500V for 100ms; (3)DC output: 28V; (4)Programmable output: 10 to 110%; (5)Regulation: ±0.3%; (6)Efficiency: 87.5%; (7)Maximum operating temperature: 100℃ at full load; (8)Power density: 120W/cubic inch; (9)Height above board: 0.43 in. (10,9 mm); (10)Parallelable, with N+M fault tolerance; (11)Low noise ZCS/ZVS architecture.
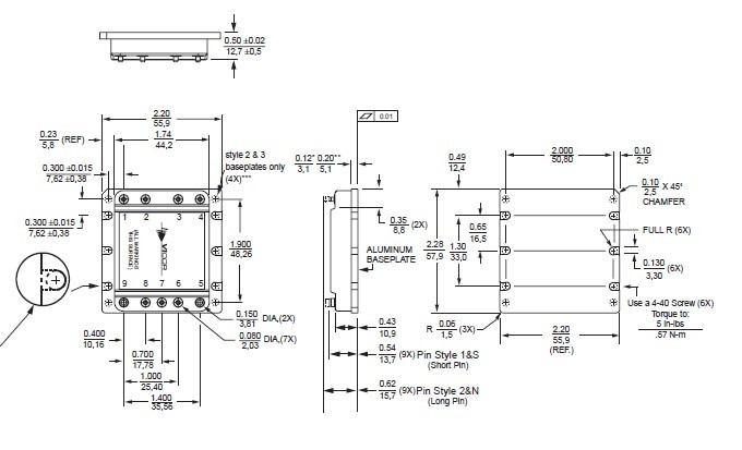
Diagrams

![]() |
![]() V375A12C400B3 |
![]() |
![]() CONVERTER MOD DC/DC 12V 400W |
![]() Data Sheet |
![]()
|
|
||||||
![]() |
![]() V375A12C400BF |
![]() |
![]() CONVERTER MOD DC/DC 12V 400W |
![]() Data Sheet |
![]()
|
|
||||||
![]() |
![]() V375A12C400BF2 |
![]() |
![]() CONVERTER MOD DC/DC 12V 400W |
![]() Data Sheet |
![]()
|
|
||||||
![]() |
![]() V375A12C400BF3 |
![]() |
![]() CONVERTER MOD DC/DC 12V 400W |
![]() Data Sheet |
![]()
|
|
||||||
![]() |
![]() V375A12C400BG |
![]() |
![]() CONVERTER MOD DC/DC 12V 400W |
![]() Data Sheet |
![]()
|
|
||||||
![]() |
![]() V375A12C400BG2 |
![]() |
![]() CONVERTER MOD DC/DC 12V 400W |
![]() Data Sheet |
![]()
|
|
||||||
(Hong Kong)








